next up previous contents
Nächste Seite: Mechanical Assembly Aufwärts: AH PRE-1 Highend-Preamplifier Development Vorherige Seite: The Line Level Amplifier   Inhalt

Unterabschnitte

The Power Supply

Placing a humming and LF emitting lines transformer close to a phono preamplifier is definitely not a good idea. Therefore the power supply is located in its own housing which should be placed some distance away from the preamplifier housing. However, the power supply regulation should be placed as close as possible to its sink. Long distances4.1 should be strictly avoided.

I decided to put the lines transformer and the big reservoir capacitors into an external housing. The power supply regulation is then separate both for line level stage and phono stage and left and right channel as well. This means that we must build the $\pm15V$ supply voltage regulation four times.

The External Power Supply

A 120 VA toroidal transformer feeds two electrolytical capacitors of 15 mF each via a 25 A rectifier bridge. Each diode within the rectifier bridge is bridged by a 100 nF capacitor to get rid of fast transient spikes. For the same reason both 15 mF capacitors are bridged with 6.8 $\mu$F foil capacitors.

The Local Supply Voltage Regulation

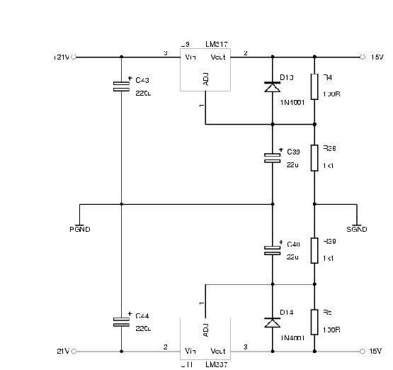
A high qualitiy voltage regulation must be built using high quality parts. It is however no longer necessary to use discret semiconductors as there are now very good integrated voltage regulator ciurcuits available. I chose the adjustable regulators LT1085 (positive) and LT1033 (negative) which are compatible to LM317/LM337. The standard fixed voltage regulators of the 78xx and 79xx series produce much higher noise and have worse ripple suppression, although you can find those even within highend preamplifiers (Bryston 25 BP).

$R_{4}$ and $R_{38}$ determine the positive output voltage, while $R_{5}$ and $R_{39}$ determine the negative voltage. $C_{39}$ (and $C_{40}$) works as an AC short regarding the adjustment input of the voltage regulator which improves the ripple suppression by about 20 dB. $D_{13}$ (or $D_{14}$) leads the discharging current of $C_{39}$ (or $C_{40}$) in case of an output shortcut away from the adjustment input, thereby preventing the destruction of the voltage regulator.

Abbildung 4.1: Schematic of the Voltage Regulation
\includegraphics[%
width=1.0\textwidth]{power_sp_tex.ps}


next up previous contents
Nächste Seite: Mechanical Assembly Aufwärts: AH PRE-1 Highend-Preamplifier Development Vorherige Seite: The Line Level Amplifier   Inhalt
ah@despammed.com